smart-house hajautettu kytkimien tulomoduuli 4 tuloa+4 LEDiä
smart-house hajautettu kytkimien tulomoduuli 4 tuloa+4 LEDiä
Kuvaus
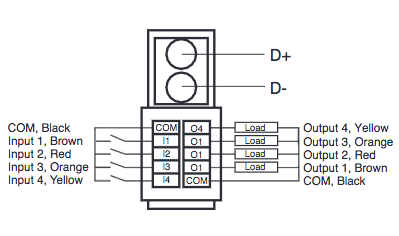
The BDB-IOCP8 is an
input/output module to be
connected to PNP transistor
outputs and contact inputs.
It offers a flexible installation
concept to integrate a
smart-house system with
already existing light
switch/push buttons in
building automation installa-
tions. It is part of the smart-
house concept and can be
used with all the functions
supported by the smart-
house controller.
Vain kirjautuneet asiakkaat -jotka ovat ostaneet tuotteen- voivat kirjoittaa tuotearvion.







Arviot
Tuotearvioita ei vielä ole.